
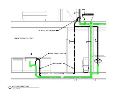
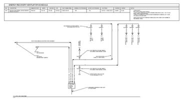
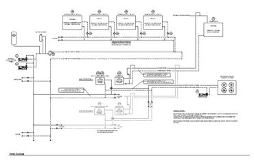
We utilize Autodesk Revit as our primary drawing production software. Revit allows for design collaboration with other design consultants including; Architects, Civil Engineers, Electrical Engineers, Sprinkler Designers, etc.
By modelling systems in a 3D environment designs can be coordinated and modified prior to construction minimizing job site slow downs and costly change orders.






We use cookies to analyze website traffic and optimize your website experience. By accepting our use of cookies, your data will be aggregated with all other user data.